Series contactors-AC contactor
1. Application
CQC1 (CAC1)series contactors are suitable for using in circuit of frequency 50/60Hz, rated insulation voltage up to 660V, rated operation current 9~95A under AC-3 duty. It is mainly used for making/breaking electric circuits at a long distance for frequent starting/stopping & controlling AC motors. It is used in combination with a thermal relay to compose of a magnetic motor starter.
Standard Number:GB14048.5、IEC60947-5-1.
2. Type designation

3. Working and the installing condition.
1. Ambient air temperature:-5℃~+40℃, average temperature of 24 hours must below +35℃
2. Altitude:≤2000m
3. Relative humidity: The maximum temperature of 40 degrees,the air relative humidity not exceed 50%,at a lower temperature can allow for a higher relative humidity.The humidest month's average lowest temperature must be below 25℃, the max relative humidity of that month should not exceed 90%.If humidity changes as a result of occasional gel generated,should eliminate it.
4. Pollution level: 3
5. Installation category: III
6. Installation position: The installation degree of the tilt and vertical plane should not exceed ±5°.
7. Shock vibration:Products should be installed and used without significant shake, shock and vibration place.
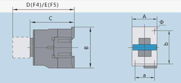
4. Overall and Mounting dimensions (mm)
4.1 Technical data
Mark 1

4.2 Coil voltage of contactor and code of it Mark2
Mark 2

5. Notes
Mark 3 Derived Products When The Contactor is Assembled With Following Accessory Module

Mark 4

Mark 5

6. Appearance and installing size

CQC1-40(95)

CQC1-09(32)
Mark 6

Catalogue





